Архив. Объявление «Дымососы, вентиляторы, циклоны - помогу рабочей документации» от 20.07.2013 устарело и поэтому скрыто.

Дымососы, вентиляторы, циклоны - помогу рабочей документации
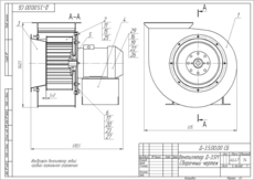
Продам рабочую документацию (комплекты рабочих чертежей) для производства промышленных вентиляторов, дымососов, циклонов, калориферов, фильтров, заслонок и другого вспомогательного вентиляционного, котельного, строительного оборудования.
Всего более 200 наименований изделий. Цена от 600 рублей до 2000 рублей (РФ). Оптом – договоримся – дешево. По договоренности могу научить изготовлять, ремонтировать данное оборудование. Имеются фотографии и некоторые чертежи оснастки и приспособлений для сварки, сборки рабочих колес и других узлов данного оборудования. Списки и подробности при запросе.
Мнение редакции может отличаться от мнения автора.
Контакты скрыты
Просмотрите новые объявления в рубрике Вентиляция: Материалы
Дата публикации: 20.07.2013
Рубрика: Вентиляция: Материалы
Регион: Киев
Номер объявления: 131395
Другие объявления в данной рубрике:
Soler&Palau Soler&Palau
Компания "Солер энд Палау" (S&P) была основана в Риполле (Испания) в 1951 году, инженерами Эдуардом Солером и Джозефом Палау. С самого ... Читать дальше
SALDA SALDA
„SALDA“ (ЗАО «САЛДА») – лидер среди европейских производителей вентиляционных устройств с 22-летним опытом работы. Предприятие производит широкий ... Читать дальше
Europlast Europlast
Europlasts» - молодое быстрорастущее предприятие, предлагающее качественную, надежную и функциональную продукцию, интересные дизайнерские решения, ... Читать дальше
BerlinerLuft BerlinerLuft
"BerlinerLuft" Установки для вентиляционных систем и систем центрального кондиционирования воздуха внутреннего и наружного исполнения ... Читать дальше
Дымососы, вентиляторы, циклоны - помогу рабочей документации Дымососы, вентиляторы, циклоны - помогу рабочей документации
Продам рабочую документацию (комплекты рабочих чертежей) для производства промышленных вентиляторов, дымососов, циклонов, калориферов, фильтров, ... Читать дальше
Дымососы, вентиляторы, циклоны - помогу рабочей документации
Продам рабочую документацию (комплекты рабочих чертежей) для производства промышленных вентиляторов, дымососов, циклонов, калориферов, фильтров, ... Читать дальше
Похожие объявления в других регионах:
Уголки под шинорейку Уголки под шинорейку
Оптовые цены на уголки под шинорейку. 1. Уголок 20-S стандарт 2мм - 0,60грн 2. Уголок 20-М модерниз - 0,55грн 3. Уголок 30-S стандарт 3мм - 2,00гр
Замки для хомутов TORK Замки для хомутов TORK
Лента для хомутов 30м.п. Замки для хомутов (упак. 50шт.)
Лента металлическая TORK для хомутов Лента металлическая TORK для хомутов
Лента для хомутов 30м.п. Замки для хомутов.
Хомуты червячные TORK Хомуты червячные TORK
Хомуты червячные из оцинков стали "TORK". Диаметры от 8мм до 270мм.
Системы вентиляции для квартир, офисов, коттеджей в Харькове
Продажа, просчет и монтаж систем вентиляции и кондиционирования для квартир, частных домов и офисов. Современная вентиляция с рекуперацией, ... Читать дальше
Воздушные завесы Воздушные завесы
Воздушные завесы AirTecnics могут быть в различном исполнении с водяным, электрическим нагревом или без нагрева: • Декоративные/дизайнерские - ZEN, ... Читать дальше
Гибкая вставка (вибровставка) 45-я KUGAR Гибкая вставка (вибровставка) 45-я KUGAR
Размерность 45х60х45 мм. Длина в рулоне - 25м. **** Цена розничная 420 грн.
Уголок под шинорейку 30-й 2,00грн Уголок под шинорейку 30-й 2,00грн
Оптовые цены на уголки под шинорейку. 1. Уголок 20-S стандарт 2мм - 0,60грн 2. Уголок 20-М модерниз - 0,55грн 3. Уголок 30-S стандарт 3мм - 2,00грн
Уголок 20-М (модернизированный) 0,55 грн Уголок 20-М (модернизированный) 0,55 грн
Оптовые цены на уголки под шинорейку. 1. Уголок 20-S стандарт 2мм - 0,60грн 2. Уголок 20-М модерниз - 0,55грн 3. Уголок 30-S стандарт 3мм - 2,00грн
Уголок 20-s (стандарт) 2мм 0,60грн Уголок 20-s (стандарт) 2мм 0,60грн
Оптовые цены на уголки под шинорейку. 1. Уголок 20-S стандарт 2мм - 0,60грн 2. Уголок 20-М модерниз - 0,55грн 3. Уголок 30-S стандарт 3мм - 2,00грн
добавить объявление
добавить объявление на ОКОННУЮ доску OKNA.ua
добавить объявление на МЕБЕЛЬНУЮ доску DECOR.ua
добавить объявление на СТРОИТЕЛЬНУЮ доску BAU.ua